Номенклатура каталога постоянно дополняется, и не всегда объективно отражает фактическую.
Наличие и стоимость уточняйте у инженеров!
Регулятор давления ARP-IR
Выбрать конфигурацию
- Идёт загрузка...
Регулятор давления предназначен для понижения давления сжатого воздуха и поддержания его на заданном уровне с высокой точностью
Особенности:
- Обладает высокой скоростью удаления воздуха
- Входной порт оснащен фильтром грубой очистки
- Может устанавливаться отдельно или в качестве модуля блока подготовки воздуха
- Простой способ установки поддерживаемого давления поворотом ручки
- Высокая точность поддержания заданного давления
- Все модели регулятора имеют два боковых резьбовых патрубка для присоединения манометра
- В комплекте манометр и кронштейн для монтажа в любом положении
- Для перехода на другие размеры резьбы используются футорки, например, VTr.581.N
Принцип действия:
При вращении настроечной рукоятки регулятора давления ARP-IR происходит сжатие пружины, соединенной с диафрагмой. Диафрагма искривляется, задавая величину пропускного отверстия. Подаваемый на вход воздух, проходя через систему промежуточных диафрагм и открытый главный клапан, выходит через порт выхода. При увеличении давления сверх заданного, нарушается баланс сил, создаваемых диафрагмами. Основной клапан закрывается, открывая выпускной клапан для сброса избыточного давления в атмосферу. Благодаря чувствительности диафрагмы даже к незначительным колебаниям давления, обеспечивается высокая точность регулировки.
Регуляторы давления ARP-IR имеют два перепускных отверстия для сброса воздуха в процессе регулирования. Модель ARP-IR30 оснащена дополнительным портом деаэрации.
Технические характеристики:
|
Параметр |
ARP-IR10, |
ARP-IR20, |
ARP-IR30 |
|
Рабочая среда |
Сжатый очищенный воздух |
||
|
Максимальное давление |
1 МПа |
||
|
Присоединение |
G⅛" |
G¼" |
G⅜" |
|
Присоединение манометра |
G⅛" |
||
|
Расход воздуха на собственные нужды при максимальном давлении |
≤ 5 л/мин при макс. давлении |
≤ 4 л/мин |
≤ 9,5 л/мин |
|
Чувствительность |
0,2% (от диапазона регулирования) |
||
|
Точность воспроизводимости |
±0,5% (от диапазона регулирования) |
||
|
Рабочая температура |
−5...+60°С* |
||
|
Материал мембраны, уплотнения |
NBR |
||
|
Габаритные размеры с манометром |
90×35×57,5 мм |
123×50×80 мм |
148×66×93 мм |
*При низких температурах необходимо использовать сухой воздух
Пневматическая схема:
Модификации:
|
Модель |
Резьба порта деаэрации |
Расход воздуха, норм. л/мин |
Диапазон регулирования, МПа |
Макс. давление, МПа |
Диапазон измерения манометра, МПа |
Вес, г |
|
ARP-IR10 |
– |
200 |
0,005...0,2 |
1,0 |
0...0,2 |
145 |
|
ARP-IR11 |
300 |
0,005...0,4 |
0...0,4 |
145 |
||
|
ARP-IR20 |
600 |
0,005...0,2 |
0...0,2 |
325 |
||
|
ARP-IR22 |
1000 |
0,005...0,8 |
0...1,0 |
330 |
||
|
ARP-IR30 |
G½" |
3000 |
0,01...0,2 |
0...0,2 |
670 |
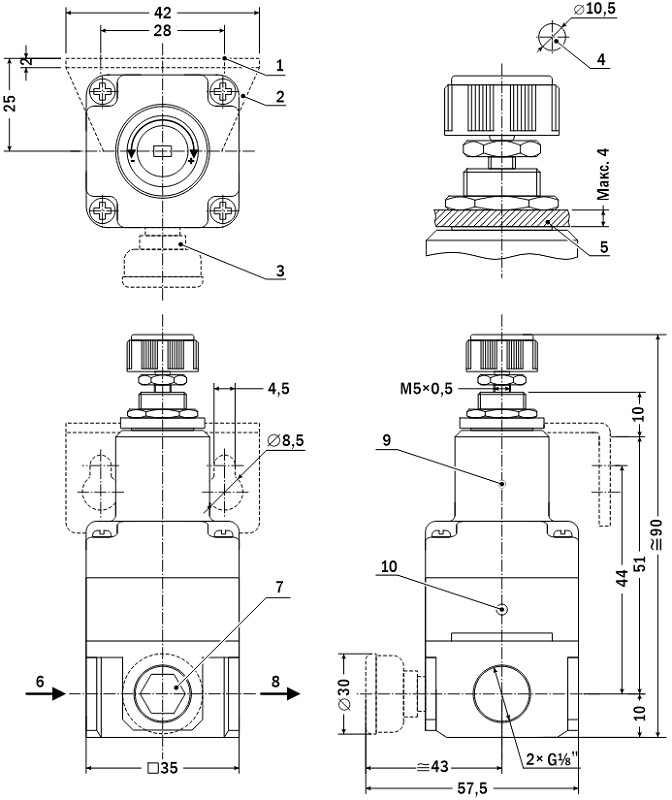
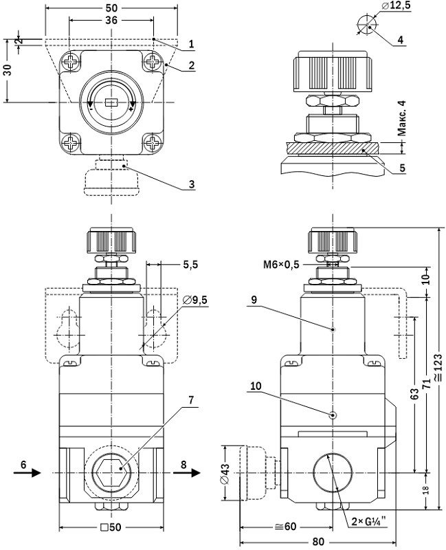
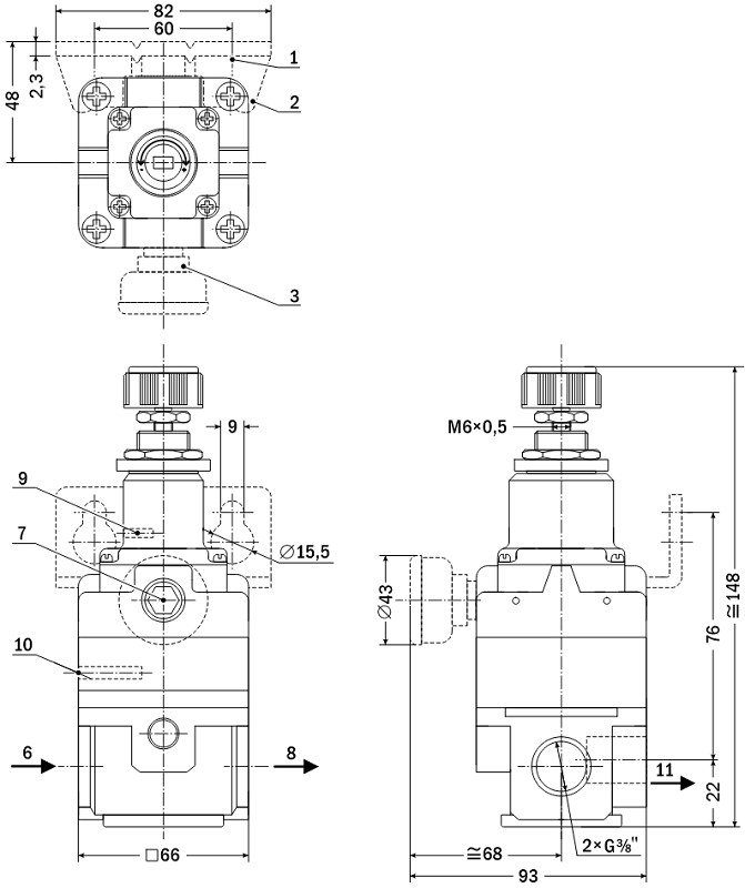
Габаритные размеры:
ARP-IR10, ARP-IR11
ARP-IR20, ARP-IR22
ARP-IR30
|
Позиция |
Элемент прибора |
|
1 |
Монтажное отверстие кронштейна |
|
2 |
Кронштейн |
|
3 |
Манометр |
|
4 |
Отверстие под крепление на панели |
|
5 |
Панель |
|
6 |
Вход |
|
7 |
Присоединение манометра 2×G⅛" |
|
8 |
Выход |
|
9 |
Перепускное отверстие |
|
10 |
Перепускное отверстие |
|
11 |
Порт деаэрации G½" |

















