Номенклатура каталога постоянно дополняется, и не всегда объективно отражает фактическую.
Наличие и стоимость уточняйте у инженеров!
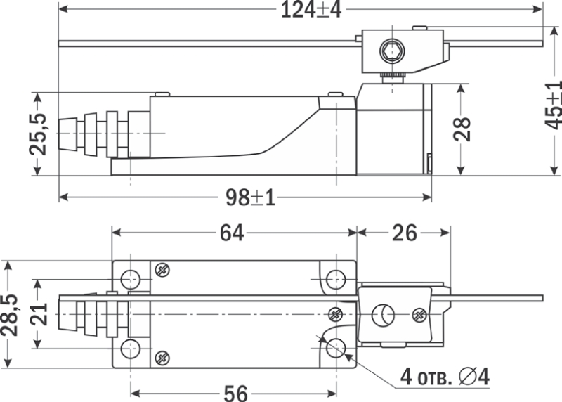
Конечный выключатель TZ-8107
Выбрать конфигурацию
- Идёт загрузка...
|
Параметр |
Значение |
|
Быстродействие |
0,5...500 мм/с |
|
Реле |
~5 А, 250 В |
|
Контакт |
1НО+1НЗ |
|
Рабочая частота |
Механическая: 120 опер./мин |
|
Износостойкость |
Механическая: ≥10 млн срабатываний |
|
Условия эксплуатации |
−10...+70°C |
|
Степень пылевлагозащиты |
IP40 или IP65 |
|
Габаритные размеры |
45×124×28,5 мм |
|
Регулируемая длина штока |
30...110 мм |
|
Вес |
154 г |
Габаритные размеры:












