Список просмотренных товаров пуст
Список сравниваемых товаров пуст
Список избранного пуст
Ваша корзина пуста
0

Номенклатура каталога постоянно дополняется, и не всегда объективно отражает фактическую.
Наличие и стоимость уточняйте у инженеров!

Модульные однофазные твердотельные реле на Din-рейку GDS

Артикул:
Товар дня Успей купить
Цена:
От 1 360 руб.
1 360 руб.
экономия 0 руб.

Выбрать конфигурацию

Коммутируемый ток, А: 10 10 25 40
Коммутируемое напряжение: 24...480V AC 24...480V AC
Управляющее напряжение: 3...32V DC 3...32V DC 70...280V AC
Срок поставки: Уточнять у инженеров Уточнять у инженеров
Модульные однофазные твердотельные реле на Din-рейку GDS1048ZD3
1 360 руб.
шт
В корзину
Доставка
  • Идёт загрузка...
Описание

Расшифровка номенклатуры

code_gds.png
  1. GDS – Вид твердотельного реле
    • GDS – однофазное твердотельное реле (10 – 40А) на Din-рейку
    • GDH – однофазное твердотельное реле (10 – 120А)
    • GDM – однофазные твердотельные реле в корпусе промышленного исполнения (100 – 500А)
  2. 10 – рабочий ток 10А (от 10 до 40А)
  3. 48 – рабочее напряжение 48-480V AC
    • 38 – 24-380V AC
    • 23 – 5-220V DC
  4. ZD3 – тип управляющего сигнала (способ коммутации)
    • ZD3 – управление 3-32V DC (коммутация при переходе через ноль)
    • ZA2 – управление 70-280V AC (коммутация при переходе через ноль)

Варианты исполнений:

Выходное напряжение

Управляющее напряжение

Номинальный коммутируемый ток

10A

25A

40A

480 VAC "перекл. в 0"

3-32 VDC

GDS1048ZD3

GDS2548ZD3

GDS4048ZD3

70-280V AC

GDS1048ZA2

GDS2548ZA2

GDS4048ZA2


Характеристики
Бренд: IMPULS Характеристики:

Технические характеристики и условия эксплуатации:

Модификация твердотельного реле

GDSxxxxxZD3

GDSxxxxxZA2

Коммутируемое напряжение

24-480V AC

Управляющее напряжение

3-32V DC

70-280V AC

Потребляемый ток в цепи управления

3-25mA

≤12mA

Максимальное пиковое напряжение

1000V AC

Падение напряжения в цепи нагрузки

≤1,6V AC

Ток утечки (выключенное состояние)

≤10мА

Время переключения

≤10мс

Индикация включения

есть

Напряжение пробоя

2500V AC в теч. 1 минуты

Сопротивление изоляции

500МОм при 500V DC

Температура окружающей среды

-30…+75°C

Относительная влажность

≤95%; (без образования конденсата)

Габаритные размеры

80х25х100мм

Масса

≤135г

 

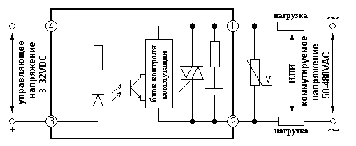
Схемы подключения:

 GDSxxxxxZD3

 shema_1.png

GDSxxxxxZA2

1gu8q9wsbqcm0b3n0ysbqc15mbmxvq65.png

Габаритные размеры:

 GDS_dim.png

Модульные однофазные твердотельные реле на Din-рейку GDS1048ZD3
Артикул:
Цена:
1 360 руб.
шт
Модульные однофазные твердотельные реле на Din-рейку GDS2548ZD3
Артикул:
Цена:
1 760 руб.
шт
Модульные однофазные твердотельные реле на Din-рейку GDS1048ZA2
Артикул:
Цена:
1 840 руб.
шт
Модульные однофазные твердотельные реле на Din-рейку GDS4048ZD3
Артикул:
Цена:
2 000 руб.
шт
Модульные однофазные твердотельные реле на Din-рейку GDS2548ZA2
Артикул:
Цена:
2 240 руб.
шт
Модульные однофазные твердотельные реле на Din-рейку GDS4048ZA2
Артикул:
Цена:
2 400 руб.
шт
AlfaSystems GoPro GP261D21
Разработано в АЛЬФА Системс