Номенклатура каталога постоянно дополняется, и не всегда объективно отражает фактическую.
Наличие и стоимость уточняйте у инженеров!
Однофазные реле с фазовой регулировкой GDH
Выбрать конфигурацию
- Идёт загрузка...
Расшифровка номенклатуры:

- GDH – Вид твердотельного реле
- GDH – однофазное твердотельное реле (10 – 120А)
- GDM – однофазные твердотельные реле в корпусе промышленного исполнения (100 – 500А)
- GDS – однофазное твердотельное реле (10 – 40А) на Din-рейку
- 40 – рабочий ток 40А (от 10 до 500А)
- 48 – рабочее напряжение 24-480V AC, 38 – 24-380V AC, 23 – 5-220V DC
- ZD3 – тип управляющего сигнала (способ коммутации)
- VA – переменный резистор 470-560кОм/2Вт (фазовое управление)
- LA – аналоговый сигнал 4-20мА (фазовое управление)
- VD – аналоговый сигнал 0-10V DC (фазовое управление)
- ZD3 – управление 3-32V DC (коммутация при переходе через ноль)
- ZA2 – управление 70-280V AC (коммутация при переходе через ноль)
Варианты исполнений:
|
Выходное напряжение |
Аналоговый сигнал |
Номинальный коммутируемый ток |
||
|
10A |
25A |
40A |
||
|
380V AC фазовое упр. |
4-20мА |
GDH1038LA |
GDH2538LA |
GDH4038LA |
|
0-10V DC |
GDH1038VD |
GDH2538VD |
GDH4038VD |
|
|
470-560кОм |
GDH1038VA |
GDH2538VA |
GDH4038VA |
|
|
Выходное напряжение |
Аналоговый сигнал |
Номинальный коммутируемый ток |
|||
|
60A |
80A |
100A |
120A |
||
|
380V AC фазовое упр. |
4-20мА |
GDH6038LA |
GDH8038LA |
GDH10038LA |
GDH12038LA |
|
1-10V DC |
GDH6038VD |
GDH8038VD |
GDH10038VD |
GDH12038VD |
|
|
470-560кОм |
GDH6038VA |
GDH8038VA |
GDH10038VA |
GDH12038VA |
|
Технические характеристики и условия эксплуатации:
|
Модификация твердотельного реле |
GDHхххххLA |
GDHхххххVD |
GDHхххххVA |
|
Коммутируемое напряжение |
24-380V AC |
||
|
Управляющий сигнал |
4-20 мА |
0-10 V DC |
470-560 кОм/2Вт |
|
Потребляемый ток в цепи управления |
- |
<4 мА |
- |
|
Ток утечки (выключенное состояние) |
≤5 мА |
||
|
Максимальное пиковое напряжение |
1000 V AC |
||
|
Падение напряжения в цепи нагрузки |
≤1,6 V AC |
||
|
Время переключения |
≤10 мс |
||
|
Светодиодная индикация |
отсутствует |
||
|
Напряжение пробоя |
2500 V AC в теч. 1 минуты |
||
|
Сопротивление изоляции |
500 МОм при 500 V DC |
||
|
Температура окружающей среды |
-30…+75°C |
||
|
Относительная влажность |
≤95% (без образования конденсата) |
||
|
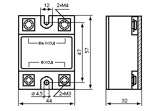
Габаритные размеры |
57,5х44х32 мм |
||
|
Способ монтажа |
Винтами на монтажную поверхность |
||
|
Масса |
≤135 г |
||
Примечание: силовые и управляющие клеммы твердотельных реле GDHхххххVA не изолированы друг от друга. Будьте внимательны при работе!
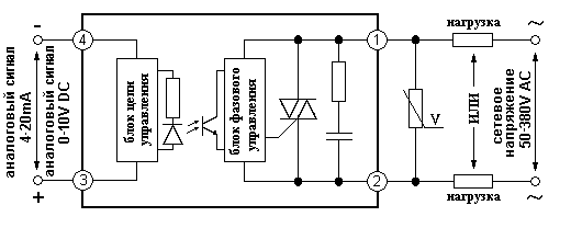
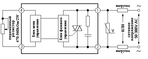
Схемы подключения:
GDHхххххLA, GDHхххххVD
GDHхххххVA
Внешний вид и габаритные размеры:
















