Номенклатура каталога постоянно дополняется, и не всегда объективно отражает фактическую.
Наличие и стоимость уточняйте у инженеров!
Клапан нормально закрытый AR-2DM21
Товар дня
Успей купить
Цена:
От 1 062 руб.
1 062 руб.
экономия
0 руб.
Выбрать конфигурацию
Доставка
- Идёт загрузка...
Описание
Клапан соленоидный нормально закрытый непрямого действия с диафрагмой AR-2DM21 предназначен для управления потоком рабочей среды в трубопроводе
Особенности:
Нормально закрытый соленоидный клапан – это магнитный клапан, в котором закрытое положение сохраняется, если управляющее напряжение на его индукционную катушку не подается. При подаче напряжения на катушку нормально закрытый клапан открывается и пропускает через себя поток рабочей среды. При отключении управляющего напряжения этот клапан автоматически закрывается и перекрывает поток рабочей среды в трубопроводе. При обрыве провода управляющего напряжения клапан будет закрыт.
В большинстве случаев подходит для эксплуатации в системах водоснабжения, теплоснабжения, вентиляции и пневмоуправления. Особенно актуально применение данного типа клапана, когда клапан должен быть закрыт большую часть времени либо когда он обязательно должен быть закрыт при отключении электропитания системы.
Для герметизации резьбовых металлических соединений рекомендуется использование анаэробных герметиков.
Особенности:
- Наружная резьба
- Входной фильтр грубой очистки: съемная пластиковая сетка
- Латунный отвод для быстрого и удобного обслуживания фильтра
- Пружинный обратный клапан на выходе для предотвращения обратного потока среды и защиты трубопровода, насосов и т.д.
- Катушка закрыта защитным пластиковым кожухом (IP65)
- Пониженное энергопотребление
- Ламели для подключения в комплекте (при заказе с катушкой SA41B)
- Компактный размер
- Долгий срок службы
Нормально закрытый соленоидный клапан – это магнитный клапан, в котором закрытое положение сохраняется, если управляющее напряжение на его индукционную катушку не подается. При подаче напряжения на катушку нормально закрытый клапан открывается и пропускает через себя поток рабочей среды. При отключении управляющего напряжения этот клапан автоматически закрывается и перекрывает поток рабочей среды в трубопроводе. При обрыве провода управляющего напряжения клапан будет закрыт.
В большинстве случаев подходит для эксплуатации в системах водоснабжения, теплоснабжения, вентиляции и пневмоуправления. Особенно актуально применение данного типа клапана, когда клапан должен быть закрыт большую часть времени либо когда он обязательно должен быть закрыт при отключении электропитания системы.
Для герметизации резьбовых металлических соединений рекомендуется использование анаэробных герметиков.
Характеристики
Бренд:
ARCOM
Характеристики:
Модификации:
Расшифровка обозначения на примере клапана AR-2DM21-15/9-1/2-XYZ:
AR-2DM21 – модель клапана.
15 – диаметр условного прохода в мм.
9 – эффективный диаметр в мм, если Дэф<Ду
1/2 – размер резьбы в дюймах.
X – присоединение: G – трубная резьба.
Y – материал корпуса: L – полиацеталь.
Z – материал уплотнения: E – EPDM.
Версия: 2024-02-09-ШАР
| Параметр | Значение | |||
|
Рабочая среда |
Вода, горячая вода, воздух, масла |
|||
|
Материал |
Корпуса |
Полиацеталь (присоединения – хромированная латунь) |
||
| Уплотнения |
EPDM |
|||
|
Температура рабочей среды |
0...+100°С | |||
| Рабочее давление | 0,02...0,8 МПа | |||
| Диаметр условного прохода | 15 мм | |||
| Присоединение | Резьбовое наруж. G½" | |||
| Катушка | SA41B, IP65 (с кожухом) | |||
| Питание | ~220 В, ~110 В, ~24 В, =36 В, =24 В, =12 В, =6 В | |||
| Мощность | 5 ВА (AC), 5 Вт (DC) | |||
Модификации:
| Модель |
Ду, мм |
Дэф, мм |
Kv, м³/ч |
Присоединение | Pmin, МПа | Pmax, МПа |
Вес, г |
|
AR-2DM21-15/9-1/2-GLE |
15 |
9 |
1,45 |
наруж. ½" |
0,02 |
0,8 |
185 |
Расшифровка обозначения на примере клапана AR-2DM21-15/9-1/2-XYZ:
AR-2DM21 – модель клапана.
15 – диаметр условного прохода в мм.
9 – эффективный диаметр в мм, если Дэф<Ду
1/2 – размер резьбы в дюймах.
X – присоединение: G – трубная резьба.
Y – материал корпуса: L – полиацеталь.
Z – материал уплотнения: E – EPDM.
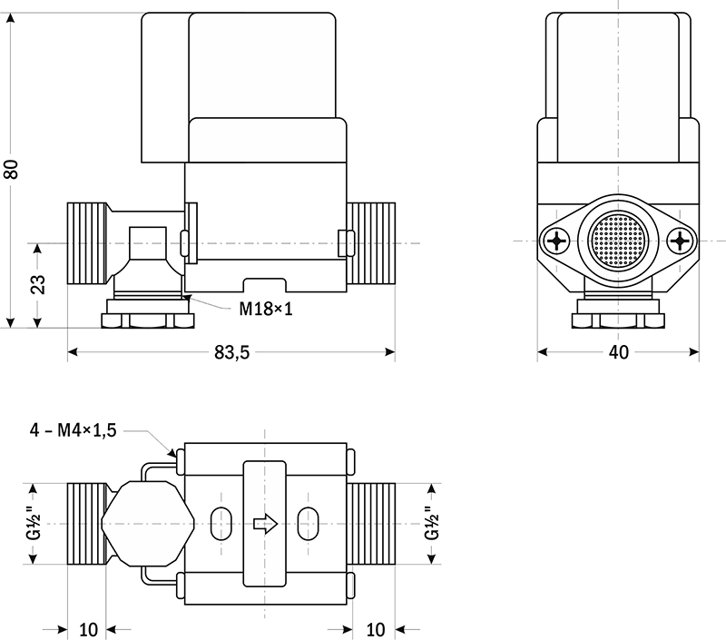
| Габаритные размеры |
|
Версия: 2024-02-09-ШАР
Клапан нормально закрытый AR-2DM21, =6В
Артикул:
O60142
Цена:
1 062 руб.
Клапан нормально закрытый AR-2DM21, =12В
Артикул:
O60141
Цена:
1 062 руб.
Клапан нормально закрытый AR-2DM21, =24В
Артикул:
O60140
Цена:
1 062 руб.
Клапан нормально закрытый AR-2DM21, =36В
Артикул:
O60139
Цена:
1 062 руб.
Клапан нормально закрытый AR-2DM21, ~24
Артикул:
O60138
Цена:
1 062 руб.
Клапан нормально закрытый AR-2DM21, ~110
Артикул:
O60137
Цена:
1 062 руб.
Клапан нормально закрытый AR-2DM21, ~220
Артикул:
O60136
Цена:
1 062 руб.












