Номенклатура каталога постоянно дополняется, и не всегда объективно отражает фактическую.
Наличие и стоимость уточняйте у инженеров!
Линейный актуатор LA-60F
Выбрать конфигурацию
- Идёт загрузка...
Линейный актуатор LA-60F представляет собой устройство, преобразующее вращательное движение низковольтного электродвигателя постоянного тока в линейное переме щение – втягивающее и выталкивающее движение.
Линейные актуаторы LA-60F широко применяют в промышленном и медицинском оборудовании, оборудовании для фермерских хозяйств, машиностроении и судостроении, системах вентиляции, офисной и домашней мебели и т. д.
Особенности:
- Корпус из высокопрочного металлического цинкового сплава
- Встроенные выключатели для отключения питания при достижении конечного положения
- Для подключения актуаторов используются блоки питания, например, БП67, БП97, DR
- Для управления актуаторами могут использоваться реверсивные переключатели на 2 или 3 положения с 4 контактами (например, AR-XB2-BD, AR-XB2-BDV, AR-XB2-BJ), кнопки с 4 контактами (например, AR-XB2-BAV, AR-XB2-BA, AR-XB2-BAWV), электропедали с 2 контактами (ЭПД-6404, ЭПД-6304, ЭПД-3406)
Модификации:
|
Модель |
Номинальная нагрузка, Н |
Нагрузка самоблокировки (при условии втягивания), Н |
Номинальный ток нагрузки, А |
Max скорость, мм/с |
||
|
Толкание |
Втягивание |
Без |
При |
|||
|
-XXX-6000/5 |
6000 |
4000 |
6000 |
4,8 |
5 |
3,5 |
|
-XXX-3000/10 |
3000 |
2000 |
3000 |
4,8 |
10 |
7 |
|
-XXX-4000/10 |
4000 |
2000 |
4000 |
4,8 |
10 |
7 |
XXX − длина хода штока
Расшифровка обозначения на примере актуатора LA-60F-200-6000/5-DC24:
LA-60F — модель актуатора;
200 — длина хода штока, в мм;
6000 — номинальная нагрузка, в Н;
5 — скорость, в мм/с;
DC24 — напряжение питания =24 В.
Технические характеристики:
|
Параметр |
Значение |
|
Максимальная нагрузка |
3000, 4000, 6000 Н |
|
Длина хода штока (S) |
100 мм, 200 мм, 400 мм, 500 мм |
|
Максимальная скорость (при полной нагрузке) |
3,5...7 мм/с |
|
Максимальная скорость (без нагрузки) |
5...10 мм/с |
|
Минимальный размер для установки |
Длина хода штока (S) + 175 мм |
|
Режим работы |
2 мин ВКЛ, 18 мин ВЫКЛ |
|
Рабочий цикл |
10% |
|
Питание |
=12 В или =24 В |
|
Степень пылевлагозащиты |
IP66 |
|
Сертификация |
ISO9001-2008, CE, ROHS |
|
Уровень шума |
≤ 45 дБ |
|
Температура эксплуатации |
−25...+65°C |
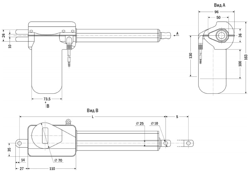
Габаритные размеры:
|
Длина хода штока, мм |
L, мм |
S, мм |
Габаритные размеры, мм |
Вес, г |
|
100 |
275 |
100 |
163×96×305 |
1774 |
|
200 |
375 |
200 |
163×96×405 |
1991 |
|
400 |
585 |
400 |
163×96×615 |
2480 |
|
500 |
695 |
500 |
163×96×715 |
2750 |












