Номенклатура каталога постоянно дополняется, и не всегда объективно отражает фактическую.
Наличие и стоимость уточняйте у инженеров!
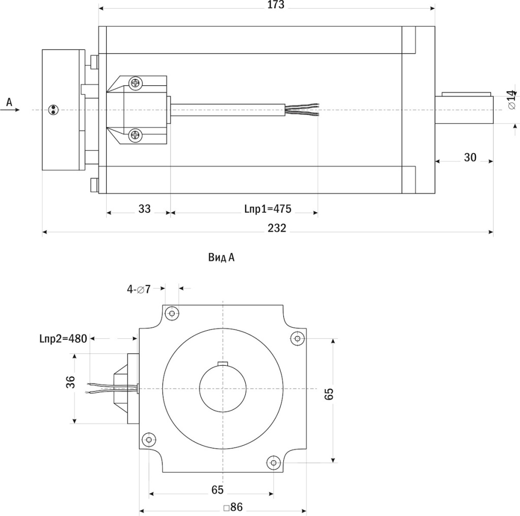
Шаговый двигатель с тормозом ШДГТ-86
Выбрать конфигурацию
- Идёт загрузка...
Шаговый двигатель с тормозом ШДГТ-86 предназначен для преобразования электрических импульсов в дискретные механические перемещения. Шаговые двигатели широко применяются в станках с ЧПУ (фрезерные, гравировальные станки, машины лазерной, плазменной или газовой резки металла), в роботах, конвейерах, системах подачи и т.д.
Особенности:
- Высокая точность позиционирования без необходимости в обратной связи
- Длительный срок службы, высокая износоустойчивость и безотказность работы благодаря отсутствию механически трущихся деталей или частей
- Двигатель обеспечивает полный момент в режиме остановки
- Возможность быстрого старта, остановки или реверсирования
- Совместимость с современными цифровыми устройствами
Технические характеристики:
|
Параметр |
Значение |
|
Угловой шаг |
1,8° |
|
Количество шагов на оборот |
200 |
|
Питание электромагнитного тормоза |
=24 В |
|
Количество фаз |
2 |
|
Типоразмер NEMA |
34 |
|
Фланец |
86 мм |
|
Количество проводов |
4 |
Модификации:
|
Модель |
Крутящий момент на валу, Н·м |
Номинальный ток, А/фаза |
Номинальное сопротивление, Ом/фаза |
Индуктивность, мГн/фаза |
Момент инерции ротора, г·см² |
Длина L, мм |
|
ШДГТ-86.67,5-3,04/6 |
3,04 |
6 |
0,3 |
2,4 |
1300 |
67,5 |
|
ШДГТ-86.96-6,08/6 |
6,08 |
6 |
0,46 |
4,7 |
2500 |
96 |
|
ШДГТ-86.119,5-8/6 |
8 |
6 |
0,62 |
7 |
3700 |
119,5 |
|
ШДГТ-86.126-9,2/6 |
9,2 |
6 |
0,65 |
6,4 |
3900 |
126 |
|
ШДГТ-86.156-12/6 |
12 |
6 |
0,85 |
10,1 |
5600 |
156 |
|
ШДГТ-86.79,5-4/6 |
4 |
6 |
1,6 |
15,2 |
1850 |
79,5 |
Габаритные размеры:












