Список просмотренных товаров пуст
Список сравниваемых товаров пуст
Список избранного пуст
Ваша корзина пуста
0

Номенклатура каталога постоянно дополняется, и не всегда объективно отражает фактическую.
Наличие и стоимость уточняйте у инженеров!

Мультиметр однофазный щитовой c интерфейсом RS-485 Omix M3-1-RS485-N2

Артикул:
Товар дня Успей купить
Цена:
От 6 396 руб.
6 396 руб.
экономия 0 руб.

Выбрать конфигурацию

Модель: Omix P1212-M3-1-RS485-N2 Omix P44-M3-1-RS485-N2 Omix P77-M3-1-RS485-N2 Omix P99-M3-1-RS485-N2 Omix P1212-M3-1-RS485-N2
Срок поставки: Уточнять у инженеров Уточнять у инженеров
Мультиметр однофазный щитовой c интерфейсом RS-485 Omix M3-1-RS485-N2, Omix P1212-M3-1-RS485-N2
6 396 руб.
шт
В корзину
Доставка
  • Идёт загрузка...
Описание
Мультиметр однофазный щитовой Omix M3-1-RS485-N2 предназначен для измерения и индикации напряжения, силы тока и частоты в однофазных сетях переменного тока, а также для передачи измеренных значений по протоколу Modbus RTU

Особенности:

  • Возможность подключения через трансформаторы напряжения и тока
  • Может выдерживать длительные (до нескольких лет) перегрузки до 600 В и 6 А
  • Передача измеренных значений по протоколу Modbus RTU осуществляется с помощью целого числа c фиксированной запятой (тип int). При использовании трансформаторов напряжения и тока по протоколу Modbus передаются измеренные значения без учета коэффициента трансформации.
  • 4 типоразмера корпуса
Характеристики
Бренд: ARCOM Характеристики:

Технические характеристики:

Параметр

Значение

Диапазон измерения напряжения

~0...500 В (напрямую)
~0...1,1 МВ (через трансформатор напряжения)

Диапазон измерения силы тока

~0...5 А (напрямую)
~0...9999 А (через трансформатор тока)

Диапазон измерения частоты тока

40...70 Гц

Дискретность измерения

Автоматическая: 0,001; 0,01; 0,1; 1

Погрешность измерения

±(0,5% + 1 е.м.р.)

Скорость измерения

3 изм./с

Потребляемая мощность

< 5 ВА

Питание

≅85...264 В, 50...60 Гц

Интерфейс

RS-485 Modbus RTU

Скорость передачи данных

1200...9600 бит/с

Условия эксплуатации

−10...+50°С
≤ 85%RH

Условия хранения

−40...+70°С
≤ 85%RH

Высота символов

P44: 8 мм
P77: 10 мм
Р99, Р1212: 14 мм

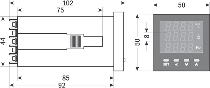
Габаритные размеры

P44: 50×50×102 мм
Р77: 74×74×103 мм
Р99: 98×98×103 мм
Р1212: 118×118×103 мм

Размер врезного отверстия

P44: 45×45 мм
Р77: 67×67 мм
Р99: 91×91 мм
Р1212: 111×111 мм

Вес

P44: 123 г
Р77: 209 г
Р99: 250 г
Р1212: 309 г

    

Габаритный чертеж:

m3n244.jpg 

P44

m3n277.jpg 

P77

m3n299.jpg 

P99

m3n21212.jpg 

P1212

Мультиметр однофазный щитовой c интерфейсом RS-485 Omix M3-1-RS485-N2, Omix P1212-M3-1-RS485-N2
Артикул: E62982
Цена:
6 396 руб.
шт
Мультиметр однофазный щитовой c интерфейсом RS-485 Omix M3-1-RS485-N2, Omix P99-M3-1-RS485-N2
Артикул: E62981
Цена:
6 396 руб.
шт
Мультиметр однофазный щитовой c интерфейсом RS-485 Omix M3-1-RS485-N2, Omix P77-M3-1-RS485-N2
Артикул: E62980
Цена:
6 396 руб.
шт
Мультиметр однофазный щитовой c интерфейсом RS-485 Omix M3-1-RS485-N2, Omix P44-M3-1-RS485-N2
Артикул: E62979
Цена:
6 396 руб.
шт
AlfaSystems GoPro GP261D21
Разработано в АЛЬФА Системс