Номенклатура каталога постоянно дополняется, и не всегда объективно отражает фактическую.
Наличие и стоимость уточняйте у инженеров!
Дисковый поворотный затвор КПР-Б7 с электроприводом ЭПР1
Товар дня
Успей купить
Цена:
19 333 руб.
19 333 руб.
экономия
0 руб.
Доставка
- Идёт загрузка...
Описание
Дисковый поворотный затвор КПР-Б7 с электроприводом ЭПР1 предназначен для управления потоком рабочей среды в трубопроводе
- Рабочая среда: вода, горячая вода, воздух, инертные газы, природный газ, азотная кислота, уксус + масла, пар (только для нержавеющей стали с PTFE)
- Температура рабочей среды крана: −35...+125°С (чугун с EPDM), −20...+150°С (нержавеющая сталь с PTFE)
- Рабочее давление: 0,0...1,6 МПа
- Диаметр условного прохода: 50...350 мм
- Материал корпуса и уплотнения крана: чугун с EPDM или нержавеющая сталь с PTFE
- Присоединение затвора: межфланцевое
- Стандарт присоединения крана к приводу – ISO5211
- Модель электропривода: ЭПР1
- Питание электропривода: ~220 В, =24 В или от трехфазной сети ~380 В
- Угол полного поворота: 90°
- Бесшумная работа
- Долгий срок службы
- Простая установка
Характеристики
Бренд:
ARCOM
Характеристики:
Модификации:
Таблица выбора привода для крана КПР-Б7:
Рекомендуется устанавливать на затвор либо соответствующий ему тип привода ППР или ЭПР из таблицы, либо следующий за ним. Для ППР также возможна установка приводов на один или два типоразмера больше номинального с применением переходников ПП44 и ПП84.
Например, на затвор КПР-Б7-050 можно поставить ППР1-063, а при необходимости (высокое давление среды, срочная замена и т. д.) возможно установить и ППР1-075, -083.
Если посадочный размер привода больше посадочного размера затвора, то нужно использовать переходник типа «звезда-квадрат» ПП84, при необходимости в комбинации с переходником «квадрат-квадрат» ПП44.
Версия: 2017-06-30-КВА
|
Параметр |
Значение |
| Рабочая среда | вода, горячая вода, воздух, инертные газы, природный газ, азотная кислота, уксус + масла, пар (только для нержавеющей стали с PTFE) |
|
Материал корпуса и уплотнения крана |
Чугун с EPDM или нержавеющая сталь с PTFE |
|
Температура рабочей среды крана |
−35...+125°С (чугун с EPDM), −20...+150°С (нержавеющая сталь с PTFE) |
| Рабочее давление | 0,0...1,6 МПа |
| Диаметр условного прохода | 50...350 мм |
|
Присоединение затвора |
межфланцевое |
|
Стандарт присоединения крана к приводу |
ISO5211 |
| Модель электропривода | ЭПР1 |
| Питание электропривода | ~220 В, =24 В или от трехфазной сети ~380 В |
Модификации:
|
Модель |
Ду, мм |
Kv, м³/ч |
Присоединение |
Посадочный размер, мм |
Вес затвора из нерж. стали с PTFE, кг |
|
КПР-Б7-050 WYZ |
50 |
105 |
W2" |
11×11 |
2,5 |
|
КПР-Б7-065 WYZ |
65 |
176 |
W2,5" |
11×11 |
2,5 |
| КПР-Б7-080 WYZ |
80 |
265 |
W3" |
11×11 |
2,9 |
| КПР-Б7-100 WYZ |
100 |
594 |
W4" |
11×11 |
4,7 |
| КПР-Б7-125 WYZ |
125 |
950 |
W5" |
14×14 |
6,1 |
| КПР-Б7-150 WYZ |
150 |
1622 |
W6" |
14×14 |
7,8 |
| КПР-Б7-200 WYZ |
200 |
2957 |
W8" | 17×17 |
12,2 |
| КПР-Б7-250 WYZ |
250 |
4711 |
W10" |
22×22 |
18,8 |
| КПР-Б7-300 WYZ |
300 |
7126 |
W12" |
22×22 |
28,7 |
| КПР-Б7-350 WYZ |
350 |
10 205 |
W14" | 22×22 |
41,3 |
| КПР-Б7-400 WYZ |
400 |
13 950 |
W16" |
27×27 |
61 |
| КПР-Б7-450 WYZ |
450 |
18 232 |
W18" | 27×27 |
79 |
| КПР-Б7-500 WYZ |
500 |
22 937 |
W20" |
36×36 |
128 |
| КПР-Б7-600 WYZ |
600 |
34 429 |
W24" |
36×36 |
188 |
Таблица выбора привода для крана КПР-Б7:
|
Модель крана |
Посадочный размер, мм |
Крутящий момент, Н·м |
Модель привода |
||||
|
Ручной ПРК |
Пневмоприводы |
Электроприводы |
|||||
|
ППР1 |
ППР2 |
ЭПР1 |
ЭПР4 |
||||
|
КПР-Б7-050 |
11×11 |
15 |
-025, -032 |
-063 |
-063 |
-008 |
-010 |
|
КПР-Б7-065 |
11×11 |
19 |
-025, -032 |
-063 |
-063 |
-008 |
-010 |
|
КПР-Б7-080 |
11×11 |
27 |
-025, -032 |
-063 |
-063 |
-008 |
-010 |
|
КПР-Б7-100 |
11×11 |
46 |
-025, -032 |
-075 |
-075 |
-008 |
-010 |
|
КПР-Б7-125 |
14×14 |
82 |
-040, -050 |
-092 |
-092 |
-015 |
-010 |
|
КПР-Б7-150 |
14×14 |
175 |
-040, -050 |
-125 |
-125 |
-060 |
-020 |
|
КПР-Б7-200 |
17×17 |
227 |
-065, -080 |
-125 |
-125 |
-060 |
-050 |
|
КПР-Б7-250 |
22×22 |
402 |
– |
-140 |
-140 |
-060 |
-050 |
|
КПР-Б7-300 |
22×22 |
611 |
– |
-160 |
-160 |
-100 |
-100 |
|
КПР-Б7-350 |
22×22 |
877 |
– |
-160 |
-160 |
-100 |
-100 |
|
КПР-Б7-400 |
27×27 |
1203 |
– |
-210 |
-210 |
– |
-200 |
|
КПР-Б7-450 |
27×27 |
1612 |
– |
-210 |
-210 |
– |
-200 |
|
КПР-Б7-500 |
36×36 |
2151 |
– |
-210 |
-210 |
– | – |
|
КПР-Б7-600 |
36×36 |
3362 |
– |
-300 |
-270 |
– |
– |
Например, на затвор КПР-Б7-050 можно поставить ППР1-063, а при необходимости (высокое давление среды, срочная замена и т. д.) возможно установить и ППР1-075, -083.
Если посадочный размер привода больше посадочного размера затвора, то нужно использовать переходник типа «звезда-квадрат» ПП84, при необходимости в комбинации с переходником «квадрат-квадрат» ПП44.
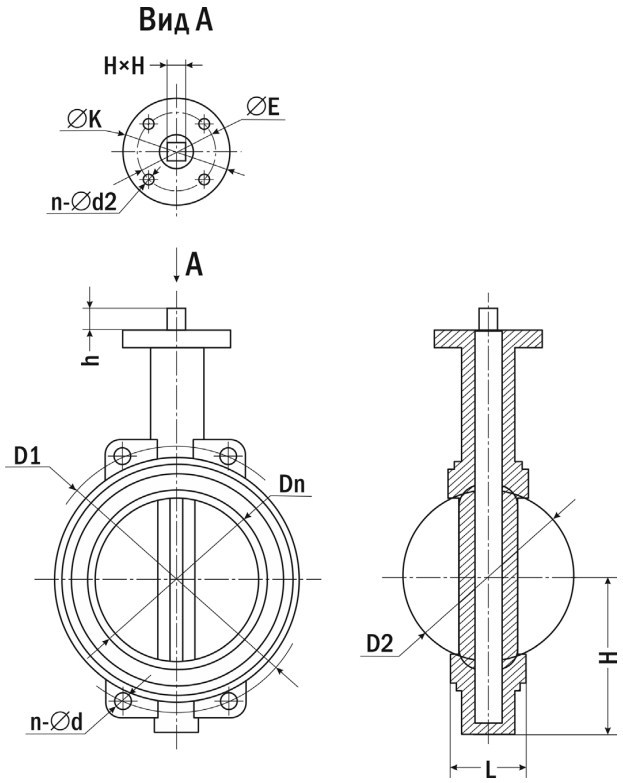
|
Габаритные размеры |
|
|
Модель |
Размеры, мм |
|||||||||||
|
ISO 5211 |
Dn |
D1 |
D2 |
H |
h |
L |
n-∅ d |
n-∅ d2 |
H×H |
∅ E |
∅ K |
|
|
КПР-Б7-050 |
F07 |
50 |
125 |
53 |
80 |
14 |
42 |
4-18 |
4-10 |
11×11 |
70 |
90 |
|
КПР-Б7-065 |
F07 |
65 |
145 |
64,5 |
89 |
14 |
45 |
4-18 |
4-10 |
11×11 |
70 |
90 |
|
КПР-Б7-080 |
F07 |
80 |
160 |
79 |
95 |
14 |
45 |
8-18 |
4-10 |
11×11 |
70 |
90 |
|
КПР-Б7-100 |
F07 |
100 |
180 |
104 |
114 |
14 |
52 |
8-18 |
4-10 |
11×11 |
70 |
90 |
|
КПР-Б7-125 |
F07 |
125 |
210 |
123 |
127 |
17 |
54 |
8-18 |
4-10 |
14×14 |
70 |
90 |
|
КПР-Б7-150 |
F07 |
150 |
240 |
156 |
139 |
17 |
56 |
8-22 |
4-10 |
14×14 |
70 |
90 |
|
КПР-Б7-200 |
F10 |
200 |
295 |
202,5 |
175 |
22 |
61 |
8-22 |
4-12 |
17×17 |
102 |
125 |
|
КПР-Б7-250 |
F10 |
250 |
350 |
250,5 |
203 |
25 |
66 |
12-22 |
4-12 |
22×22 |
102 |
125 |
|
КПР-Б7-300 |
F10 |
300 |
400 |
302 |
242 |
25 |
76,5 |
12-22 |
4-12 |
22×22 |
102 |
125 |
|
КПР-Б7-350 |
F10 |
350 |
460 |
333 |
267 |
25 |
77 |
16-22 |
4-12 |
22×22 |
102 |
125 |
|
КПР-Б7-400 |
F14 |
400 |
515 |
390 |
309 |
40 |
86 |
16-26 |
4-18 |
27×27 |
140 |
175 |
|
КПР-Б7-450 |
F14 |
450 |
565 |
440,5 |
328 |
40 |
106 |
20-26 |
4-18 |
27×27 |
140 |
175 |
|
КПР-Б7-500 |
F14 |
500 |
620 |
491,5 |
361 |
50 |
130 |
20-26 |
4-18 |
36×36 |
140 |
175 |
| КПР-Б7-600 |
F16 |
600 |
725 |
592,5 |
459 |
60 |
151 |
20-30 |
4-22 |
36×36 |
165 |
210 |
Версия: 2017-06-30-КВА












