Номенклатура каталога постоянно дополняется, и не всегда объективно отражает фактическую.
Наличие и стоимость уточняйте у инженеров!
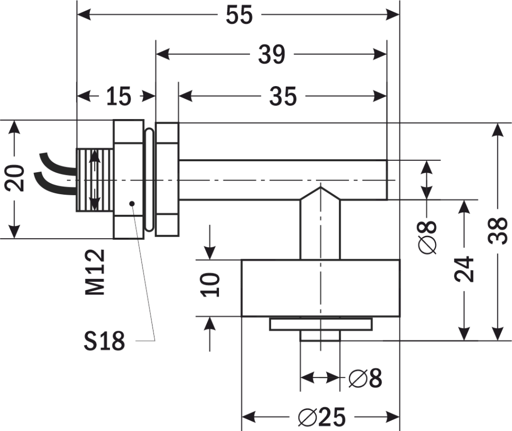
Поплавковый датчик уровня миниатюрный ПДУ-Н621-25
Товар дня
Успей купить
Цена:
562 руб.
562 руб.
экономия
0 руб.
Доставка
- Идёт загрузка...
Описание
Миниатюрный поплавковый выключатель ПДУ-Н621-25 предназначен для регулирования уровня жидкости в резервуаре, защиты насоса от сухого хода, автоматизации процесса наполнения/осушения резервуара
Особенности:
Особенности:
- При повышении уровня контакт замыкается, при понижении – размыкается
Характеристики
Бренд:
ARCOM
Характеристики:
Версия: 2024-06-10-ШАР
| Параметр | Значение |
| Рабочее положение |
Вертикальное |
|
Крепление |
Горизонтальное |
|
Количество уровней |
1 |
|
Материал корпуса |
Нейлон |
| Рабочая температура | −10...+70°С |
| Максимальное рабочее давление | 0,5 МПа |
| Максимальная коммутируемая мощность |
50 Вт |
|
Максимальный коммутируемый ток |
≅0,5 А (при ≅24 В) |
| Максимальное коммутируемое напряжение | ≅220 В |
| Длина проводов | 325 мм |
|
Присоединение |
М12 |
| Диаметр поплавка | 25 мм |
|
Длина погружной части |
24 мм |
| Погрешность длины погружной части | ±10% |
| Габаритные размеры |
38×55×25 мм |
|
Вес |
14 г |
|
Габаритные размеры |
|
Версия: 2024-06-10-ШАР












