Номенклатура каталога постоянно дополняется, и не всегда объективно отражает фактическую.
Наличие и стоимость уточняйте у инженеров!
Датчик-реле потока бескорпусный поршневой ДР-ПБ-62
Товар дня
Успей купить
Цена:
702 руб.
702 руб.
экономия
0 руб.
Доставка
- Идёт загрузка...
Описание
Датчик-реле потока (реле протока) бескорпусный на основе магнитогерконового датчика ДР-ПБ-62 предназначен для контроля наличия потока воды в вертикально расположенных трубах, управления исполнительными устройствами, защиты оборудования от слабого или отсутствующего потока
Особенности:
Принцип работы и монтаж:
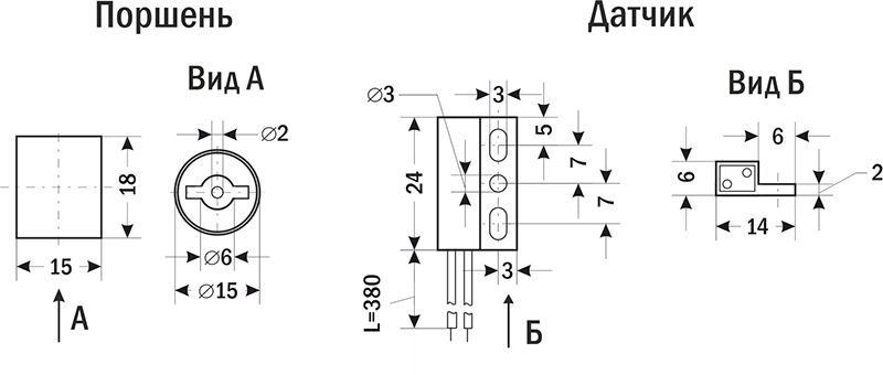
1. В трубу из немагнитного материала помещается поршень, внутри которого находится магнит.
2. Перемещение поршня внутри трубы должно быть ограничено упорами (например, сеткой) снизу и сверху (см. рисунок).
3. При отсутствии потока поршень лежит на нижнем упоре. При достаточном потоке поршень поднимется до уровня, где снаружи трубы вертикально (проводами вниз или вверх) установлен датчик с герконом.
4. Замыкание контакта происходит, когда середины корпусов поршня и датчика оказываются на одном уровне ± 4 мм. Расстояние срабатывания замеряется между краем корпуса датчика и осью поршня (см. рисунок).
5. Внимание! Диаметр трубы должен быть незначительно больше диаметра поршня.

Для увеличения коммутационной способности датчика-реле следует использовать промежуточные реле, например, MY, 55-02, 55-04, LY4 c управляющим напряжением =24 В и током потребления не более 300 мА. Также возможно использовать промежуточные реле с управляющим напряжением ~24 В. Для питания катушки промежуточного реле необходимы блоки питания, например, DR, MDR, БП97, БП67.

Для защиты прибора от попадания инородных частиц рекомендуется установить фильтр механической очистки перед датчиком-реле. Для герметизации резьбовых металлических соединений рекомендуется использовать анаэробные герметики.
Особенности:
- Бескорпусный, состоит из магнитогерконового датчика и поплавка
- Монтаж в любую подходящую вертикально расположенную трубу
Принцип работы и монтаж:
1. В трубу из немагнитного материала помещается поршень, внутри которого находится магнит.
2. Перемещение поршня внутри трубы должно быть ограничено упорами (например, сеткой) снизу и сверху (см. рисунок).
3. При отсутствии потока поршень лежит на нижнем упоре. При достаточном потоке поршень поднимется до уровня, где снаружи трубы вертикально (проводами вниз или вверх) установлен датчик с герконом.
4. Замыкание контакта происходит, когда середины корпусов поршня и датчика оказываются на одном уровне ± 4 мм. Расстояние срабатывания замеряется между краем корпуса датчика и осью поршня (см. рисунок).
5. Внимание! Диаметр трубы должен быть незначительно больше диаметра поршня.

Для увеличения коммутационной способности датчика-реле следует использовать промежуточные реле, например, MY, 55-02, 55-04, LY4 c управляющим напряжением =24 В и током потребления не более 300 мА. Также возможно использовать промежуточные реле с управляющим напряжением ~24 В. Для питания катушки промежуточного реле необходимы блоки питания, например, DR, MDR, БП97, БП67.

Для защиты прибора от попадания инородных частиц рекомендуется установить фильтр механической очистки перед датчиком-реле. Для герметизации резьбовых металлических соединений рекомендуется использовать анаэробные герметики.
Характеристики
Бренд:
ARCOM
Характеристики:
Версия: 2023-04-03-ЛВС
| Параметр | Значение |
| Рабочая среда |
Вода и другие жидкости, неагрессивные к материалам поршня |
| Температура рабочей среды | 0…+60°С |
| Реле | =0,5 А, 200 В |
| Максимальная коммутируемая мощность | 10 Вт |
|
Сопротивление изоляции |
108 Ом |
|
Ресурс работы |
≥ 108 циклов |
| Расстояние срабатывания | ≤ 14 мм |
|
Время переключения |
0,2 с |
|
Степень пылевлагозащиты датчика |
IP67 |
|
Материал датчика |
Полипропилен |
| Материал поплавка | Латунь, полиацеталь |
| Длина провода | 380 мм |
|
Габаритные размеры - датчика - поршня |
24×14×6 мм ∅15×18 мм |
|
Вес комплекта |
19 г |
|
Габаритный чертеж |
|
Версия: 2023-04-03-ЛВС












