Номенклатура каталога постоянно дополняется, и не всегда объективно отражает фактическую.
Наличие и стоимость уточняйте у инженеров!
Штуцер переходной ШП-А
Товар дня
Успей купить
Цена:
От 338 руб.
338 руб.
экономия
0 руб.
Выбрать конфигурацию
Доставка
- Идёт загрузка...
Описание
Штуцер переходной ШП-А предназначен для подсоединения манометрических приборов по месту эксплуатации
Характеристики
Бренд:
ARCOM
Характеристики:
Версия: 2015-04-08-НТА
| Параметр | Значение | ||
|
Внутренняя резьба |
G½" | М20×1,5 | G¼" |
|
Внешняя резьба |
М20×1,5 | G½" | G½" |
|
Материал |
Латунь |
||
|
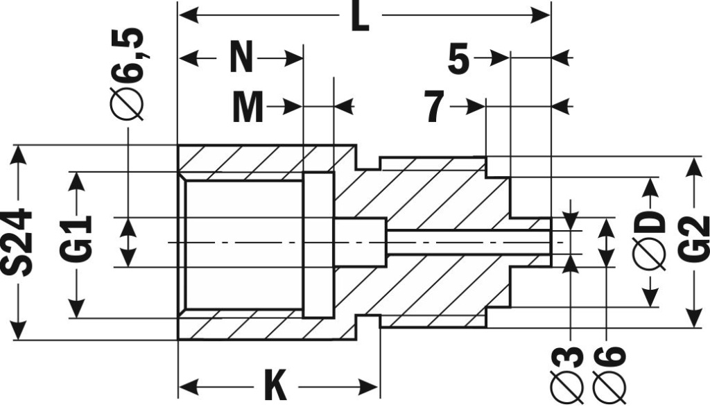
Габаритный чертеж |
|
|
Модификация |
Размеры, мм |
||||||
|
D |
G1 |
G2 |
K |
L |
M |
N |
|
| ШП-А (G½-М20) |
16 |
G½" | М20×1,5 |
24 |
47,5 |
3 |
16 |
| ШП-А (G¼-G½) |
17,5 |
G¼" | G½" |
16,5 |
40,5 |
2 |
9 |
| ШП-А (М20-G½) |
16 |
М20×1,5 | G½" |
23 |
47,5 |
4 |
15 |
Версия: 2015-04-08-НТА
Штуцер переходной ШП-А, ШП-А-(G1/2"-М20х1,5), М20х1,5, G1/2"
Артикул:
D40037
Цена:
338 руб.
Штуцер переходной ШП-А, ШП-А-(G1/4"-G1/2"), G1/2, G1/4"
Артикул:
D40038
Цена:
507 руб.
Штуцер переходной ШП-А, ШП-А-(М20х1,5-G1/2"), G1/2", М20х1,5
Артикул:
D40036
Цена:
507 руб.












