Номенклатура каталога постоянно дополняется, и не всегда объективно отражает фактическую.
Наличие и стоимость уточняйте у инженеров!
Индикатор-измеритель аналогового сигнала ИДДМ-12
- Идёт загрузка...
Прибор предназначен для использования в качестве местного индикатора в составе с преобразователями с выходным унифицированным двухпроводным сигналом 4…20 мА, снабженными сигнальным разъемом стандарта DIN 43650A.
Особенности:
- Настраиваемые диапазон измерения и количество точек после запятой
Технические характеристики:
|
Параметр |
Значение |
|
Входной сигнал |
4...20 мА |
|
Диапазон отображения физической величины |
−1999...9999 |
|
Погрешность преобразования |
±0,1% |
|
Падение напряжения на индикаторе |
< 3 В |
|
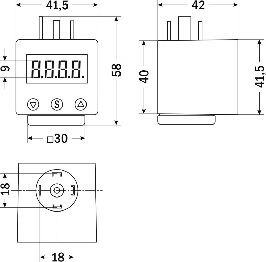
Высота символов |
9 мм |
|
Температура окружающей среды |
−20...+80°С |
|
Пылевлагозащита |
IP40 |
|
Тип присоединения и монтажа |
DIN 43650A |
|
Габаритные размеры |
58×41,5×42 мм |
|
Вес |
38 г |
Габаритные размеры:












